规格:
服务:
常见问题:
跟销售索要产品外形图 ,价格根据配置定
产品特点:
·360°旋转范围
·分辨率 0.1°至 0.005°
·重复定位精度优于分辨率
·适用于1x101mBar,最高耐受温度可达200°C
·最高100 r/min 的最大负载速度,最大扭矩可达1Nm和8Nm
·标配 AMLD35.1步进电机,可选择配置限位开关和编码器
·提供高分辨率、抗辐射版本
·可根据具体要求进行定制
产品参数:
| 规格 | VSM17-R-3K6 | VSM17-R-72K |
| 行程 | 360° | 360° |
| 整步分辨率 | 0.1° | 0.005° |
| 每转步数 | 3600 | 72000 |
| 最大负载速度 | 100 r/min | 4 r/min |
| 最大负载电机步进频率 | 5kHz | 5kHz |
| 水平中心负载 | 100 kg | 100 kg |
| 最大扭矩 | 1 Nm | 8 Nm |
| 启动转矩 | 79 mNm | N/A |
| 背隙(空载) | 低于分辨率 | 0.2° |
| 同轴度 | ±5um | ±8um |
| 步进电机 | AML D35.1 | |
| 真空度 | 1x10^(-10)mBar | |
| 最高耐受温度 | 200°C(安装光学编码器时降至120°C) | |
| 中心孔 | 18mm | |
| 自重 | 1.7kg | 1.66kg |
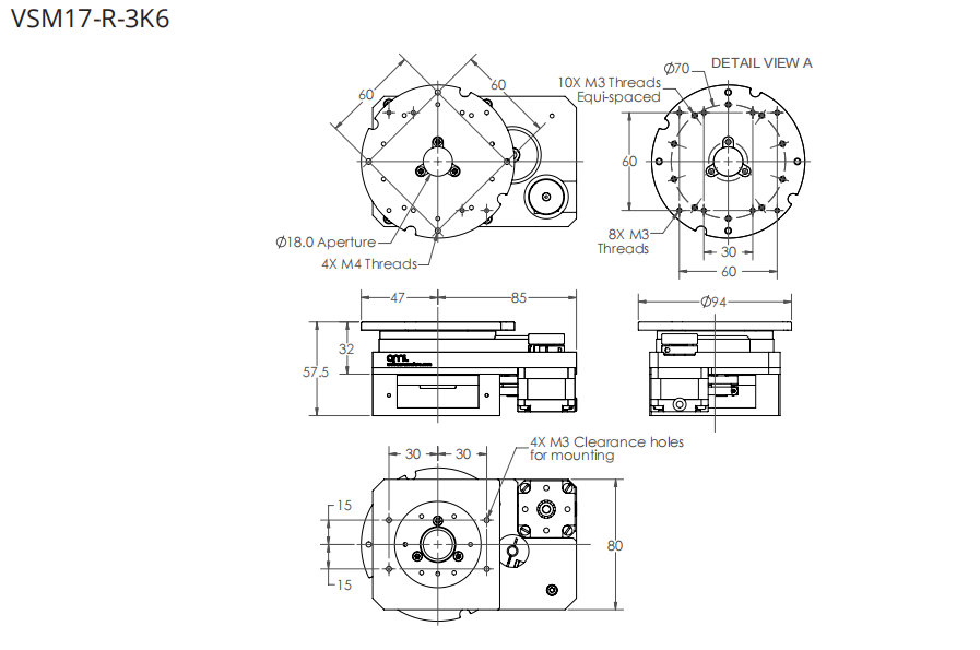
产品尺寸:


注意事项:
我们很高兴你能和我们合作。为了节省你的时间,在选择产品时,请查看参数或与我们的销售沟通,避免你购买的产品,因参数与你的使用要求不一致,耽误你的工期进度。我们再次感谢你的支持。









